Converter Circuit 12V To 24V DC-DC
12V To 24V DC-DC Converter Circuit
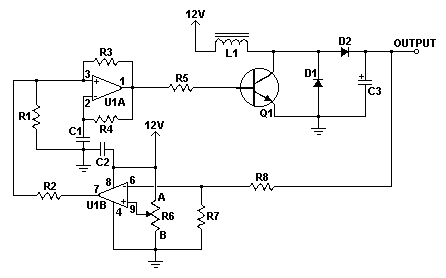
This simple DC-DC converter can provide up to 24V from a 12V source. It can be used to run radios, small lights, relays, horns and other 24V accessories from a 12V vehicle with a maximum draw of about 800mA. It can be used to charge one 12V battery from another, or step up the voltage just enough to provide necessary overhead for a 12V linear regulator. Using one op-amp as a squarewave oscillator to ring an inductor and another op-amp in a feedback loop, it won't drift around under varying loads, providing a stable 24V source for many applications. With a wide adjustment in output this circuit has many uses.
Schematic Parts
Part
|
Total Qty.
|
Description
|
Substitutions
|
| R1, R2, R3, R4, R8, R7 | 6 | 100K 1/4W Resistor | |
| R5 | 1 | 470 Ohm 1/2W Resistor | |
| R6 | 1 | 10K Linear Pot | |
| C1 | 1 | 0.01uF Mylar Capacitor | |
| C2 | 1 | 0.1uF Ceramic Disc Capacitor | |
| C3 | 1 | 470uF 63V Electrolytic Capacitor | |
| D1 | 1 | 1N4004 Rectifier Diode | |
| D2 | 1 | BY229-400 Fast Recovery Diode | See Notes |
| Q1 | 1 | BC337 NPN Power Transistor | |
| U1 | 1 | LM358 Dual Op Amp IC | |
| L1 | 1 | See Notes | |
| MISC | 1 | Board, Wire, Socket For U1, Case, Knob For R6, Heatsink for Q1 | |
Notes
- R6 sets the output voltage. This can be calculated by Vout = 12 x (R8/(R8+R7)) x (R6B/R6A).
- L1 is made by winding 60 turns of 0.63MM magnet wire on a toroidial core measuring 15MM (OD) by 8MM (ID) by 6MM (H).
- D2 can be any fast recovery diode rated at greater then 100V at 5A. It is very important that the diode be fast recovery and not a standard rectifier.
- Q1 will need a heatsink.
Source: www.aaroncake.net
0 comments:
Post a Comment